无尘设计规范及主要事项
|
清洁度无尘室等级:常规ISO14644 Class8十万级别,特殊要求可做万级; 位置选择合理; 布局合理; 可设计单间式或萃取分析隔离式; 安全危害评估; 人流物流通道纳入设计范围; 设计前了解设备详细功能规格; 产品属性; 其他辅助设备配置; 静电处理。 |
|
|
|
|
空白值

备注:
在存在两种可能的空白值时,例如给出特定的杂质尺寸分布和最大容许颗粒,适用条件更加苛刻的空白值要求。
特例可能出现在:
---- 有源模块,(例如, 阀,泵,喷射器,,.)
---- 自身会释放颗粒的零件,涂层
---- 高度洁净的部件(重量限值很小,总颗粒数很少)

递减测试
定义:
使用同一方法多次提取同一零部件污染颗粒物,直到90%的污染物被提取出来。如果已进行六次提取而未达到≤10%的值,那么必须修改提取参数。
|
单次清洗步骤 Single extraction steps |
流程: * 空白确认 * 数量确认 * 启动参数要适当 * 测试过程不允许中断 * 每次清洗程序条件一样 * 总计6次 |
注:
* 若在n个单独的清洗步骤后达到10%标准,则检测程序(至少)应为(n-1)倍的清洗时间或清洗量。
* 各个尺寸数量可能会违反衰减标准。
* 颗粒用颗粒总数计算,但不同分级数量仍需要关注。
* 双重验证C20.3(C1+C2)同一批零件,同一测试程序。
|
|
|
不同曲线形状产生的原因与建议


萃取方式选择

|
|
喷洗(喷笔 喷枪)
超声清洗
冲洗
灌流(脉冲)
晃动(手动/功能台)
空气吹扫
空气贯通 |
喷洗

|
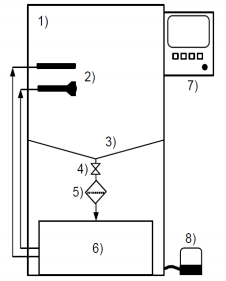
自动清洗柜基本配置 1)喷洗室(洁净空气区域ISO14644-5) 2)喷笔/脚踏开关 3 )V型收集槽 4)开关阀 5)滤膜过滤器(单层/多层) 6)清洗液介质供应,包括--清洗液装置容器 --清洗液过滤装置 --泵或压力供给装备 --各种传感器(压力、流量、报警) 7)喷射过程控制器 8)脚踏开关 注:工装夹具包含在清洗范围内 有时包装内表面属于清洗和杂质提取范围,供应商和客户协商 |
简化示意图
喷洗启动参数
|
超声清洗
|
|
超声波的清洗及颗粒提取能力基于空化气泡的爆破所产生的高压力峰值。 超声功率越高而频率越低时,物理清洁能力越强。 |
|
超声清洗启动参数 |
各频率波长 |
体积和功率密度

散装小零件取样面积>200cm
注:铸铁(石墨的脱落),铸铝表面,涂漆或涂覆的表面和烧结材料等不适用。
灌流清洗


重量分析
|
首选自然对流烤箱,温度均匀性很重要; 烘干温度和时间测试——滤膜重量恒定性(检测前必须测试一次); 在第一次烘干前先用少量检测溶液冲洗膜片,以便将可能的膜片材料残余物清洗干净(针对微量要求测量)。 干燥皿是用来使分析滤膜在烘干后冷却的过程中不从环境中吸收水份; 培养皿保持洁净。 |
|
|
|
|
对分析天平读数的基本要求为 1d(1 分度值)=0.1 毫克=0.0001克(万分之一天平)
天平校准必要性(无振动环境使用,温度恒定,湿度管控)
十万分之一天平所在房间必须没有震动,房间温度应保持恒定。相对空气湿度应保持在 45%到 60%之间。
注:当残余重量相对较大的时候,可以放弃干燥皿的使用。另外空白样值不超过最大允许值也是这种操作的前提条件。
光学分析-分辨率
|
自动清洁度系统组成: ---- 光学显微镜:立体显微镜、材料显微镜、视频显微镜---- 相机单元 ---- 电机移动单元:针对定位轴的准确性,必须满足较高的要求---- 带偏振光自动光源 ---- 分析软件 ---- 电脑 ---- 校准尺 ---- 颗粒校准块 |
|
|
根据ISO 16232/VDA19 标准要求,在自动化颗粒测定中,应能够以至少10 个像素呈现出最小颗粒的长度。 * 清洁度规范, 只对颗粒50 微米有要求; * 小于50um属于特殊情况,双方协商; * 检测颗粒>50um 采用10倍像素标准; * 检测颗粒<50um 采用5倍像素标准。 |
|
图像分析系统的分辨率取决于

光学分析-原理测量

逐行扫描,无缝拼接,颗粒图像创建256个灰度等级,图像处理软件通过阈值确定哪些区域属于颗粒,哪些属于滤膜背景(二次阈值)。偏振光比对设别金属颗粒,颗粒覆盖率具有一定要求。
|
立体显微镜: ---- 需采用平行光路 ---- 扫描速度快 材料显微镜: ---- 分辨率高 ---- 扫描速度慢 ---- 高度可测量 |
|

光学分析-统计

![]() |
![]() |
Copyright © 苏州科视嘉精密设备有限公司 技术支持:祥和网络